
LED特有的不眩光面發光照明燈,發光均勻自然,長時間使用,眼睛也不會感到疲倦。
因光線不易反射,您可以輕鬆地看到想要看到的東西;最適合使用於檢查照明。
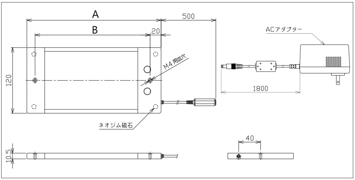
背面的內置磁鐵可以粘在金屬零件上使用。
視覺檢查照明、影像檢查照明、簡易作業照明、圖像檢查照明、展示陳列品照明
| 色 温 | 5,700K |
|---|---|
| 期待壽命 | 環境温度25℃ 60,000小時 ※壽命是以初期照度減少至70%的情況 |
| 使用温度 | -10℃~40℃ ( 指不結冰的情況下 ) |
| 保護等級 | IP50 |
| 演色性 | Ra80 |
| 標準配線 | DC = 3m(AWG26x2C) AC = 2.3m(附AC/DC電源供應器) |
| 認 證 |
| 選用配件 | 開關控制線(ND-SW01) |
|---|

▲他牌 LED 燈容易產生陰影

▲NLUD 不容易產生陰影
IEEE 1789(照明頻閃影響與評估標準)中建議的安全頻閃率為 8%,而在約 3% 時人眼幾乎已無法察覺閃爍。
NLU(NLUD)系列採用獨家設計,將頻閃率進一步降低至 2% 以下,不僅在一般靜態照片與影片拍攝時完全不會出現閃爍,使用 240fps 等高幀率設備進行拍攝也不會產生條紋閃爍。非常適合用於影像檢測、外觀檢查等需要高精度攝影或長時間肉眼觀察的應用場景。
※下圖為在NLU系列光源照射下的情境
【一般LED】攝影時會觀察到閃爍和條紋
【NLU系列】光線溫和均勻,無閃爍
| 型號 | 圖面 | 光通量 | 照度(1m) | 電源 | 消耗功率 | 固定方式 |
|---|---|---|---|---|---|---|
| NLU05-DC | PDF DXF | 540 lm | 280 lx | DC24V | 4W |
皿頭螺絲孔 M4X2 強力磁鐵(背面・2個) |
| NLU10-DC | PDF DXF | 1,050 lm | 530 lx | 12W | ||
| NLU20-DC | PDF DXF | 1,600 lm | 800 lx | 19W | ||
| NLU30-DC | PDF DXF | 2,000 lm | 1,000 lx | 21W | ||
| NLU120-15-DC | PDF DXF | 1,130 lm | 570 lx | 11.5W |
皿頭螺絲孔 M4X2 強力磁鐵(背面・4個) |
|
| NLU120-25-DC | PDF DXF | 2,080 lm | 1,030 lx | 22.5W | ||
| NLU120-35-DC | PDF DXF | 3,200 lm | 1,500 lx | 37.5W | ||
| NLU120-45-DC | PDF DXF | 4,000 lm | 2,000 lx | 42.5W |

| 型號/尺寸(mm) | A | B |
|---|---|---|
| NLU05 | 245 | 205 |
| NLU10 | 420 | 380 |
| NLU20 | 565 | 525 |
| NLU30 | 730 | 690 |

| 型號/尺寸(mm) | A | B |
|---|---|---|
| NLU120-15 | 245 | 210 |
| NLU120-25 | 420 | 385 |
| NLU120-35 | 565 | 535 |
| NLU120-45 | 730 | 695 |
| 型號 | 圖面 | 光通量 | 照度(1m) | 電源 | 消耗功率 | 固定方式 |
|---|---|---|---|---|---|---|
| NLU05-AC | PDF DXF | 540 lm | 280 lx | AC100-240V | 5W |
皿頭螺絲孔 M4X2 強力磁鐵(背面・2個) |
| NLU10-AC | PDF DXF | 1,050 lm | 530 lx | 14W | ||
| NLU20-AC | PDF DXF | 1,600 lm | 800 lx | 21W | ||
| NLU30-AC | PDF DXF | 1,900 lm | 1,030 lx | 23W | ||
| NLU120-15-AC | PDF DXF | 1,130 lm | 570 lx | 13.5W |
皿頭螺絲孔 M4X2 強力磁鐵(背面・4個) |
|
| NLU120-25-AC | PDF DXF | 2,080 lm | 1,030 lx | 24.5W | ||
| NLU120-35-AC | PDF DXF | 3,200 lm | 1,500 lx | 39.5W | ||
| NLU120-45-AC | PDF DXF | 4,000 lm | 2,000 lx | 44.5W |

| 型號/尺寸(mm) | A | B |
|---|---|---|
| NLU05 | 245 | 205 |
| NLU10 | 420 | 380 |
| NLU20 | 565 | 525 |
| NLU30 | 730 | 690 |

| 型號/尺寸(mm) | A | B |
|---|---|---|
| NLU 120-15 | 245 | 210 |
| NLU 120-25 | 420 | 385 |

| 型號/尺寸(mm) | A | B |
|---|---|---|
| NLU120-35 | 565 | 535 |
| NLU120-45 | 730 | 695 |
| 型號 | 尺寸 | 電源 | 選配 |
|---|---|---|---|
| NLU |
|
|
|