
生產線視覺檢查和圖像處理檢查的檢查照明。 LED燈的顏色可以根據應用從紅色、綠色、藍色中選擇。
穩定IC電路即使在電壓波動時也可以保持恆定的照度,從而延長了LED的使用壽命。
使用定電流IC迴路驅動方式,即使電壓變動也能保持燈具亮度不變,並且能夠增加LED的壽命。
獨自開發的保護迴路設計,對於突入電流或突波或瞬間停電,皆具保護作用。採用世界全球信賴度高的LED。

調光開關(左):由20%亮度開始可調光至100%亮度,循環調整。
電源開關(右):只需輕輕觸碰即可以ON / OFF。
生產線外觀檢查,圖像處理檢查。
| 本體顏色 | 黑色 |
|---|---|
| 期待壽命 | 使用温度25℃ 40,000小時 ※壽命是以初期照度減少至70%的情況 |
| 使用温度 | -10℃~40℃ |
| 保護等級 | IP50 |
| 調光功能 | 無段階調光方式(20%~100%) |
| 標準配線 |
DC = 3m(AWG26x2C) AC = 2.3m(附AC/DC電源供應器) |

在上方或對角線上方的光線照射檢查物件。 用白光難以看到的划痕,用彩色光照射時將划痕顯示為白色。

將照明設備放在檢查對象(例如鏡頭或玻璃)的背面以拍照。 您可以通過添加攝影鏡頭圖像處理來更清晰地檢查。
用白光和彩色光拍攝光澤不銹鋼材料上的划痕,並從相同角度觀察。
當暴露在白色光下時,划痕並不清晰,彩色的光更易於看清划痕.




檢查鏡頭是否有划痕和污垢、將NLUD120-15(G)-AC(綠色光)放在背面,然後從頂部拍攝。 再現圖像處理檢查。
您可以根據對比強度檢查划痕和污垢外觀的差異。




| 型號 | 圖面 | 光通量 | 照度(1m) | 波長 | 電源 | 消耗功率 | 安裝底座 |
|---|---|---|---|---|---|---|---|
| NLUD05(R)-DC | PDF DXF | 110 lm | 55 lx | 630 nm | DC24V | 4W |
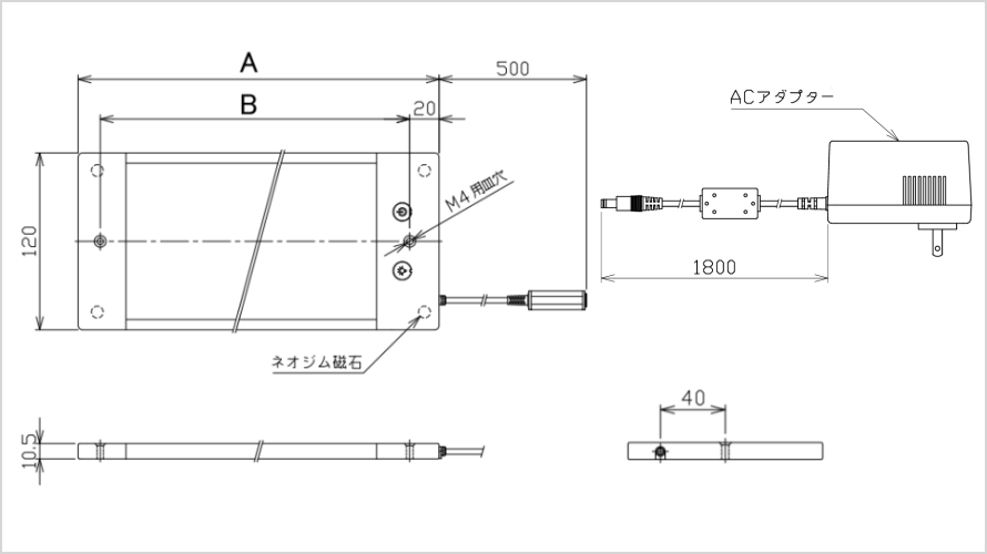
皿頭螺絲孔M4X2 強力磁鐵(背面・2個) |
| NLUD05(G)-DC | PDF DXF | 330 lm | 170 lx | 518 nm | 6W | ||
| NLUD05(B)-DC | PDF DXF | 88 lm | 45 lx | 465 nm | 5W | ||
| NLUD10(R)-DC | PDF DXF | 250 lm | 130 lx | 630 nm | 7W | ||
| NLUD10(G)-DC | PDF DXF | 620 lm | 300 lx | 518 nm | 11W | ||
| NLUD10(B)-DC | PDF DXF | 200 lm | 100 lx | 465 nm | 9.5W | ||
| NLUD20(R)-DC | PDF DXF | 330 lm | 160 lx | 630 nm | 11W | ||
| NLUD20(G)-DC | PDF DXF | 840 lm | 410 lx | 518 nm | 16W | ||
| NLUD20(B)-DC | PDF DXF | 270 lm | 130 lx | 465 nm | 14W | ||
| NLUD30(R)-DC | PDF DXF | 440 lm | 220 lx | 630 nm | 15.5W | ||
| NLUD30(G)-DC | PDF DXF | 1,320 lm | 600 lx | 518 nm | 24.5W | ||
| NLUD30(B)-DC | PDF DXF | 350 lm | 160 lx | 465 nm | 21.5W | ||
| NLUD120-15(R)-DC | PDF DXF | 230 lm | 115 lx | 630 nm | 12W |
皿頭螺絲孔M4X2 強力磁鐵(背面・4個) |
|
| NLUD120-15(G)-DC | PDF DXF | 610 lm | 315 lx | 518 nm | |||
| NLUD120-15(B)-DC | PDF DXF | 168 lm | 85 lx | 465 nm | |||
| NLUD120-25(R)-DC | PDF DXF | 490 lm | 240 lx | 630 nm | 16W | ||
| NLUD120-25(G)-DC | PDF DXF | 1,260 lm | 610 lx | 518 nm | 24W | ||
| NLUD120-25(B)-DC | PDF DXF | 420 lm | 200 lx | 465 nm | 21W | ||
| NLUD120-35(R)-DC | PDF DXF | 660 lm | 330 lx | 630 nm | 22W | ||
| NLUD120-35(G)-DC | PDF DXF | 1,900 lm | 1,000 lx | 518 nm | 32W | ||
| NLUD120-35(B)-DC | PDF DXF | 520 lm | 270 lx | 465 nm | 28W | ||
| NLUD120-45(R)-DC | PDF DXF | 880 lm | 440 lx | 630 nm | 31W | ||
| NLUD120-45(G)-DC | PDF DXF | 2,640 lm | 1,300 lx | 518 nm | 49W | ||
| NLUD120-45(B)-DC | PDF DXF | 700 lm | 360 lx | 465 nm | 43W |

| 型號/尺寸(mm) | A | B |
|---|---|---|
| NLUD05 | 245 | 205 |
| NLUD10 | 420 | 380 |
| NLUD20 | 565 | 525 |
| NLUD30 | 730 | 690 |

| 型號/尺寸(mm) | A | B |
|---|---|---|
| NLUD120-15 | 245 | 210 |
| NLUD120-25 | 420 | 385 |
| NLUD120-35 | 565 | 530 |
| NLUD120-45 | 730 | 695 |
| 型號 | 圖面 | 光通量 | 照度(1m) | 波長 | 電源 | 消耗功率 | 安裝底座 |
|---|---|---|---|---|---|---|---|
| NLUD05(R)-AC | PDF DXF | 110 lm | 55 lx | 630 nm | AC100V - 240V | 4.5W |
皿頭螺絲孔M4X2 強力磁鐵(背面・2個) |
| NLUD05(G)-AC | PDF DXF | 320 lm | 160 lx | 518 nm | 6.5W | ||
| NLUD05(B)-AC | PDF DXF | 90 lm | 40 lx | 465 nm | 5.5W | ||
| NLUD10(R)-AC | PDF DXF | 250 lm | 130 lx | 630 nm | 8W | ||
| NLUD10(G)-AC | PDF DXF | 620 lm | 300 lx | 518 nm | 12W | ||
| NLUD10(B)-AC | PDF DXF | 200 lm | 100 lx | 465 nm | 10.5W | ||
| NLUD20(R)-AC | PDF DXF | 330 lm | 160 lx | 630 nm | 12.5W | ||
| NLUD20(G)-AC | PDF DXF | 840 lm | 410 lx | 518 nm | 18W | ||
| NLUD20(B)-AC | PDF DXF | 270 lm | 130 lx | 465 nm | 16W | ||
| NLUD30(R)-AC | PDF DXF | 440 lm | 220 lx | 630 nm | 17.5 W | ||
| NLUD30(G)-AC | PDF DXF | 1,320 lm | 600 lx | 518 nm | 26.5W | ||
| NLUD30(B)-AC | PDF DXF | 350 lm | 160 lx | 465 nm | 23.5W | ||
| NLUD120-15(R)-AC | PDF DXF | 230 lm | 110 lx | 630 nm | 14W |
皿頭螺絲孔M4X2 強力磁鐵(背面・4個) |
|
| NLUD120-15(G)-AC | PDF DXF | 610 lm | 310 lx | 518 nm | |||
| NLUD120-15(B)-AC | PDF DXF | 160 lm | 80 lx | 465 nm | |||
| NLUD120-25(R)-AC | PDF DXF | 490 lm | 240 lx | 630 nm | 16W | ||
| NLUD120-25(G)-AC | PDF DXF | 1,260 lm | 610 lx | 518 nm | 24W | ||
| NLUD120-25(B)-AC | PDF DXF | 420 lm | 200 lx | 465 nm | 21W | ||
| NLUD120-35(R)-AC | PDF DXF | 660 lm | 330 lx | 630 nm | 22W | ||
| NLUD120-35(G)-AC | PDF DXF | 1,900 lm | 1,000 lx | 518 nm | 32W | ||
| NLUD120-35(B)-AC | PDF DXF | 520 lm | 270 lx | 465 nm | 28W | ||
| NLUD120-45(R)-AC | PDF DXF | 880 lm | 440 lx | 630 nm | 31W | ||
| NLUD120-45(G)-AC | PDF DXF | 2,640 lm | 1,300 lx | 518 nm | 49W | ||
| NLUD120-45(B)-AC | PDF DXF | 700 lm | 360 lx | 465 nm | 43W |

| 型號/尺寸(mm) | A | B |
|---|---|---|
| NLUD05 | 245 | 205 |
| NLUD10 | 420 | 380 |
| NLUD20 | 565 | 525 |
| NLUD30 | 730 | 690 |

| 型號/尺寸(mm) | A | B |
|---|---|---|
| NLUD120-15 | 245 | 210 |

| 型號/尺寸(mm) | A | B |
|---|---|---|
| NLUD120-25 | 420 | 385 |
| NLUD120-35 | 565 | 530 |
| NLUD120-45 | 730 | 695 |
| 型號 | 尺寸 | 發光色 | 電源 |
|---|---|---|---|
| NLUD |
|
|
|