具有調光功能的面發光LED照明,觸控式調光設計在20%到100%的範圍內無階段調光。
具有亮度存儲功能可在關閉電源,再次打開電源時再現亮度。(如果拔下電源插座,照明亮度存儲記錄將被重置。)
LED特有的不眩光面發光照明燈,發光均勻自然,即使⾧時間使用,眼睛也不會感到疲倦
因光線不易反射,您可以輕鬆地看到想要看到的東西;最適合使用於檢查照明。

調光開關(左):由20%亮度開始可調光至100%亮度,循環調整。
電源開關(右):只需輕輕觸碰即可以ON / OFF。
目視檢查照明、簡易作業照明、圖像檢查照明、 展示陳列品照明等
| 色 溫 | 5,700K |
|---|---|
| 期待壽命 | 環境溫度25℃ 60,000小時 ※壽命是以初期照度減少至70%的情況 |
| 使用溫度 | -10℃~40℃ ( 指不結冰的情況下 ) |
| 保護等級 | IP50 |
| 演 色 性 | Ra80 |
| 標準配線 | DC = 3m(AWG26x2C) AC = 2.3m(附AC/DC電源供應器) |
| 認 證 |
| 選 配 | 演色性:Ra95 |
|---|

▲他牌LED燈 容易產生陰影

▲NLUD 不容易產生陰影
IEEE 1789(照明頻閃影響與評估標準)中建議的安全頻閃率為 8%,而在約 3% 時人眼幾乎已無法察覺閃爍。
NLU(NLUD)系列採用獨家設計,將頻閃率進一步降低至 2% 以下,不僅在一般靜態照片與影片拍攝時完全不會出現閃爍,使用 240fps 等高幀率設備進行拍攝也不會產生條紋閃爍。非常適合用於影像檢測、外觀檢查等需要高精度攝影或長時間肉眼觀察的應用場景。
※下圖為在NLUD系列光源照射下的情境
【一般LED】攝影時會觀察到閃爍和條紋
【NLUD系列】光線溫和均勻,無閃爍
| 型號 | 圖面 | 光通量 | 照度(1m) | 電源 | 消耗功率 | 安裝底座 |
|---|---|---|---|---|---|---|
| NLUD05-DC | PDF DXF 3D STEP | 540 lm | 280 lx | DC24V | 5W | 皿頭螺絲孔M4X2 強力磁鐵(背面・2個) |
| NLUD10-DC | PDF DXF 3D STEP | 1,050 lm | 530 lx | 12W | ||
| NLUD20-DC | PDF DXF 3D STEP | 1,600 lm | 800 lx | 19W | ||
| NLUD30-DC | PDF DXF 3D STEP | 2,000 lm | 1,030 lx | 21.5W | ||
| NLUD120-15-DC | PDF DXF 3D STEP | 1,130 lm | 570 lx | 12W |
皿頭螺絲孔M4X2 強力磁鐵(背面・4個) |
|
| NLUD120-25-DC | PDF DXF 3D STEP | 2,080 lm | 1,030 lx | 23W | ||
| NLUD120-35-DC | PDF DXF 3D STEP | 3,200 lm | 1,600 lx | 38W | ||
| NLUD120-45-DC | PDF DXF 3D STEP | 4,000 lm | 2,000 lx | 43W |

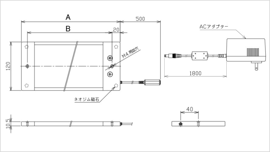
| 型號/尺寸(mm) | A | B |
|---|---|---|
| NLUD05 | 245 | 205 |
| NLUD10 | 420 | 380 |
| NLUD20 | 565 | 525 |
| NLUD30 | 730 | 690 |

| 型號/尺寸(mm) | A | B |
|---|---|---|
| NLUD120-15 | 245 | 210 |
| NLUD120-25 | 420 | 385 |
| NLUD120-35 | 565 | 530 |
| NLUD120-45 | 730 | 695 |
| 型號 | 圖面 | 光通量 | 照度(1m) | 電源 | 消耗功率 | 安裝底座 |
|---|---|---|---|---|---|---|
| NLUD05-AC | PDF DXF | 540 lm | 280 lx | AC100-240V | 6W |
皿頭螺絲孔M4X2 強力磁鐵(背面・2個) |
| NLUD10-AC | PDF DXF | 1,050 lm | 530 lx | 14W | ||
| NLUD20-AC | PDF DXF | 1,680 lm | 800 lx | 21W | ||
| NLUD30-AC | PDF DXF | 1,900 lm | 1,030 lx | 23.5W | ||
| NLUD120-15-AC | PDF DXF | 1,130 lm | 570 lx | 14W |
皿頭螺絲孔M4X2 強力磁鐵(背面・4個) |
|
| NLUD120-25-AC | PDF DXF | 2,080 lm | 1,030 lx | 27W | ||
| NLUD120-35-AC | PDF DXF | 3,200 lm | 1,500 lx | 40W | ||
| NLUD120-45-AC | PDF DXF | 4,000 lm | 2,000 lx | 45W |

| 型號/尺寸(mm) | A | B |
|---|---|---|
| NLUD05 | 245 | 205 |
| NLUD10 | 420 | 380 |
| NLUD20 | 565 | 525 |
| NLUD30 | 730 | 690 |

| 型號/尺寸(mm) | A | B |
|---|---|---|
| NLUD120-15 | 245 | 210 |
| NLUD120-25 | 420 | 385 |

| 型號/尺寸(mm) | A | B |
|---|---|---|
| NLUD120-35 | 565 | 530 |
| NLUD120-45 | 730 | 695 |

演色性是用來表示光源對被照物體顏色再現程度的指標。
演色性越高,越能呈現出如同在陽光下所見的自然色彩。
若在光源下所見的色彩與自然光下完全相同,則其演色性為100,數值越低,表示與自然光下的色彩差異越大。
高演色性的光源適用於需要確認色澤的塗裝或成品檢查等用途。
將8種試驗色(No.1~No.8)的演色評價數取平均後的數值。
除了平均演色評價數Ra外,還額外評估紅色(No.9)、黃色(No.10)、綠色(No.11)、藍色(No.12)、西方人膚色(No.13)、樹葉的顏色(No.14)、日本人膚色(No.15)等日常且重要色彩的表現。

與標準機種相比、Ra95 5000K規格的平均演色指數為97.3,即使在要求高度色彩還原性的環境中,也能準確辨識色彩。

色彩呈現數量較少,且各種顏色之間的差異較明顯。

色彩呈現豐富,各色之間的差異性小。

| 型號 | 尺寸 | 電源 | 選配 |
|---|---|---|---|
| NLUD |
|
|
|
※演色性=Ra95,此規格需逹最低訂購量,詳情請洽業務。